Bernardo Backen für 4-Backenfutter PS4 / PO4 Weiche Aufsatzbacken STJ-PS4-160
Statt: 108,00 € Ursprünglicher Preis war: 108,00 €Preis: 98,10 €Aktueller Preis ist: 98,10 €. inkl. MwSt
zzgl. Versandkosten
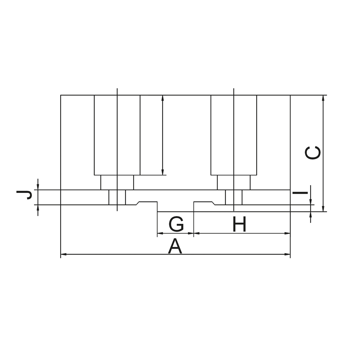
✓ Futtergröße: 160 mm
✓ Dimension A: 78 mm
✓ Dimension B: 25 mm
✓ Bolzengröße: M10
✓ Dimension C: 41,5 mm
Lieferzeit: Lieferbar in 2-4 Werktagen
Nur noch 1 vorrätig
Bernardo Weiche Aufsatzbacken STJ-PS4-160
Dieses Produkt hat eine Futtergröße von 160 mm und verfügt über verschiedene Maße: A ist 78 mm, B ist 25 mm, C ist 41,5 mm, D ist 7,95 mm, E ist 21 mm, F ist 38,1 mm, G ist 12,69 mm, H ist 34 mm, I ist 3,2 mm, J ist 4 mm und die Bolzengröße ist M10.
Technische Spezifikationen Bernardo Weiche Aufsatzbacken STJ-PS4-160
|
Futtergröße |
160 mm |
|
A |
78 mm |
|
B |
25 mm |
|
C |
41,5 mm |
|
D |
7,95 mm |
|
E |
21 mm |
|
F |
38,1 mm |
|
G |
12,69 mm |
|
H |
34 mm |
|
I |
3,2 mm |
|
J |
4 mm |
|
Bolzengröße |
M10 |
Lieferbedingungen
Nach Erhalt der Bestellung wird Ihre Bestellung sofort von unserem Team bearbeitet. Bei einer Bestellung im Onlineshop können Sie die Lieferung an eine von Ihnen genannte Adresse auswählen. Derzeit liefern wir nur innerhalb der Europäischen Union.
Kosten der Lieferung
Österreich und Deutschland
Die entstehenden Versandkosten werden bei TTOOLS durch Kombination verschiedener Merkmale wie z.B.: Größe, Gewicht, Manipulationsaufwand (Sperrgut) und Entfernung berechnet. Der Preis der Versandkosten wird für jeden Artikel beim Bestellvorgang und nach Abschluss der Bestellung angezeigt.
EU
Paketversand: auf Anfrage
Spedition: auf Anfrage
Lieferung durch unsere eigenen Lieferanten:
Bei Lieferung erfolgt die Zustellung bis zur Bordsteinkante. Der Kunde hat für Zugänglichkeit des Lieferortes Sorge zu tragen. Im Falle einer unzustellbaren Lieferung müssen wir die entstandenen Kosten für weitere Zustellversuche weiterverrechnen.
Im Falle einer Rücksendung kontaktieren Sie bitte unbedingt vorab unseren Kundendienst. Rücksendungen an unsere Büroadresse können weder entgegengenommen, noch vergütet werden.
Die Frist ist gewahrt, wenn Sie die Waren vor Ablauf der Frist von vierzehn Tagen absenden. Sie tragen die unmittelbaren Kosten der Rücksendung der Waren. Im Falle von Großgeräten und nicht paketversandfähigen Waren, kontaktieren Sie bitte vor der Rücksendung den Kundendienst von Ttools unter [email protected] oder unter der Telefonnummer +43 (0) 1 321 0017, damit die Rücksendung organisiert werden kann. Die Kosten für die Rücksendung der Ware sind von Ihnen zu tragen bzw. zu ersetzen. Darunter sind die Transportkosten zu verstehen und zwar auch dann, wenn die Zustellung gratis erfolgte. Ttools ist dabei immer bemüht den für den Kunden günstigsten Rücktransport zu organisieren.
Haben Sie Fragen, die unsere Lieferservice Abteilung nicht beantworten konnte?
Dann können Sie uns telefonisch von MO-DO zwischen 7:30 bis 18:00 Uhr, und FR von 7:30 bis 15:00 unter der Tel. Nummer +43 (0) 1 321 0017 erreichen. Gerne können Sie uns eine E-Mail an [email protected] senden.
Ähnliche Produkte

Rezensionen
Es gibt noch keine Rezensionen.